Hızlı Teslimat
30 günlük ekspres teslimat



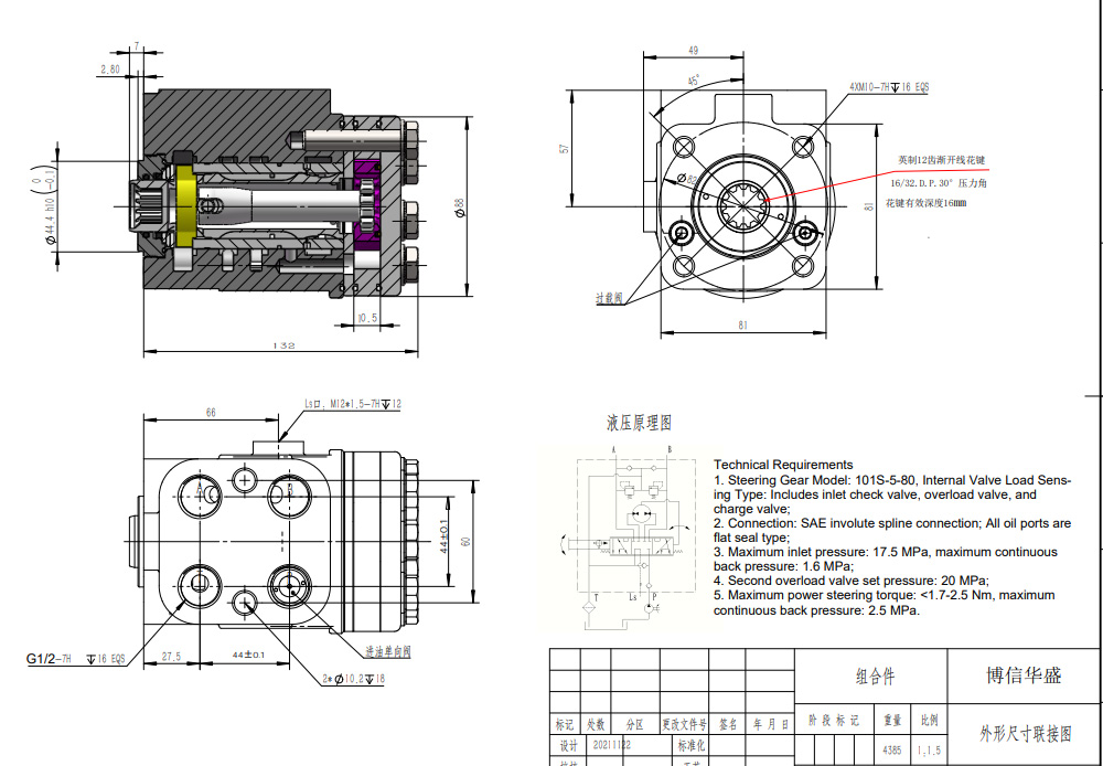
101S-5-80 Direksiyon Ünitesi, malzeme taşıma, inşaat, tarım ve endüstriyel araçlarda çeşitli uygulamalar için tasarlanmış, 80 cc/devir deplasmanlı, sağlam ve özelleştirilebilir bir hidrolik direksiyon ünitesidir. Maksimum 17.5 MPa giriş basıncına sahiptir ve dayanıklı dökme demirden yapılmıştır. Yüksek performanslı, güvenilir bir direksiyon çözümü arayan OEM'ler ve distribütörler için idealdir.
| 10 Serisi Direksiyon Ünitesi Parameters | |
|---|---|
| Deplasman | 50 ml/r, 63 ml/r, 100 ml/r, 80 ml/r, 125 ml/r, 160 ml/r, 200 ml/r, 250 ml/r, 280 ml/r, 315 ml/r, 400 ml/r |
| Malzeme | Dökme Demir |
| Anma Akışı | 5 L/dakika, 6 L/dakika, 8 L/dakika, 10 L/dakika, 12,5 L/dakika, 16 L/dakika, 20 L/dakika, 25 L/dakika, 28 L/dakika, 31,5 L/dakika, 40 L/dakika |
| Valf Bloğu | Özelleştirilebilir |
| Maksimum Sürekli Geri Basınç | 2,5 Mpa |
| Maksimum Giriş Basıncı | 17,5 Mpa |
101S-5-80 Direksiyon Ünitesi, zorlu uygulamalar için tasarlanmış yüksek performanslı bir hidrolik direksiyon ünitesidir. 80 cc/devir deplasmanı, verimli direksiyon kontrolü için yeterli akış sağlar. Ünite, uzun ömürlü performans ve aşınma ve yıpranmaya karşı direnç için dayanıklı dökme demirden yapılmıştır. Maksimum 17.5 MPa giriş basıncı, ağır yükler altında bile güvenilir çalışma sağlar. Özelleştirilebilir valf bloğu, çeşitli makine tasarımlarına esnek entegrasyon sağlayarak onu farklı uygulamalar için çok yönlü bir çözüm haline getirir. 8 L/dak nominal akışı, geniş bir makine yelpazesinde optimum performans sunar. Üretim, OEM, ODM, özel etiketleme ve toptan satış seçenekleri sunuyoruz. 101S-5-80, forkliftler, teleskopik yükleyiciler, mini yükleyiciler, kompakt tekerlekli yükleyiciler, mini ekskavatörler, traktörler, kazıcı yükleyiciler, biçerdöverler ve balya makineleri dahil olmak üzere çeşitli uygulamalar için uygundur. Küresel erişimimizi genişletmek için aktif olarak distribütörler, toptancılar, acenteler ve tüccarlar arıyoruz. Özel gereksinimlerinizi görüşmek ve potansiyel ortaklıkları keşfetmek için bizimle iletişime geçin.



