Hızlı Teslimat
30 günlük ekspres teslimat



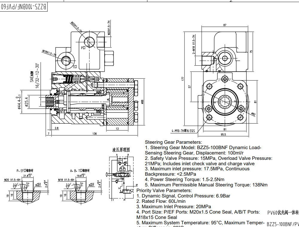
101S-5T-80-PV60 hidrolik direksiyon ünitesi, malzeme taşıma, inşaat, tarım ve endüstriyel araçlar dahil olmak üzere çeşitli uygulamalar için yüksek performanslı, dayanıklı ve özelleştirilebilir bir çözümdür. 80 ml/r deplasman ve 17.5 MPa maksimum giriş basıncı ile geniş bir ekipman yelpazesi için güvenilir direksiyon kontrolü sağlar.
| 10 Serisi Direksiyon Ünitesi Parameters | |
|---|---|
| Deplasman | 50 ml/r, 63 ml/r, 100 ml/r, 80 ml/r, 125 ml/r, 160 ml/r, 200 ml/r, 250 ml/r, 280 ml/r, 315 ml/r, 400 ml/r |
| Malzeme | Dökme Demir |
| Anma Akışı | 5 L/dakika, 6 L/dakika, 8 L/dakika, 10 L/dakika, 12,5 L/dakika, 16 L/dakika, 20 L/dakika, 25 L/dakika, 28 L/dakika, 31,5 L/dakika, 40 L/dakika |
| Valf Bloğu | Özelleştirilebilir |
| Maksimum Sürekli Geri Basınç | 2,5 Mpa |
| Maksimum Giriş Basıncı | 17,5 Mpa |
101S-5T-80-PV60 hidrolik direksiyon ünitesi, zorlu ortamlar için tasarlanmış sağlam ve verimli bir bileşendir. Üstün dayanıklılık ve uzun ömür için dökme demir gövde ile üretilmiş olup, 80 ml/r deplasmana ve 17.5 MPa maksimum giriş basıncına sahiptir, güçlü ve duyarlı direksiyon sağlar. 2.5 MPa'lık maksimum sürekli geri basınç, güvenilirliğini ve performansını daha da artırır. 8 L/dak'lık anma akışı, düzgün ve hassas direksiyon kontrolüne katkıda bulunur. Valf bloğu özelleştirilebilir olup, belirli makine gereksinimlerine ve uygulamalarına uyum sağlar. Bu ünite, forkliftler, teleskopik yükleyiciler, mini yükleyiciler, kompakt tekerlekli yükleyiciler, mini ekskavatörler, traktörler, kazıcılar, süpürücüler, biçerdöverler ve daha fazlası dahil olmak üzere çeşitli ekipmanlar için idealdir. Yüksek performansı ve güvenilir çalışması, yüksek kaliteli bir hidrolik direksiyon çözümü arayan OEM'ler, ODM'ler ve distribütörler için uygun maliyetli ve verimli bir seçimdir. Üretim, OEM, ODM, özelleştirme ve toptan satış hizmetleri sunuyoruz, dünya genelinde distribütörler, toptancılar, acenteler ve ticaret ortakları aramaktayız.



