Hızlı Teslimat
30 günlük ekspres teslimat



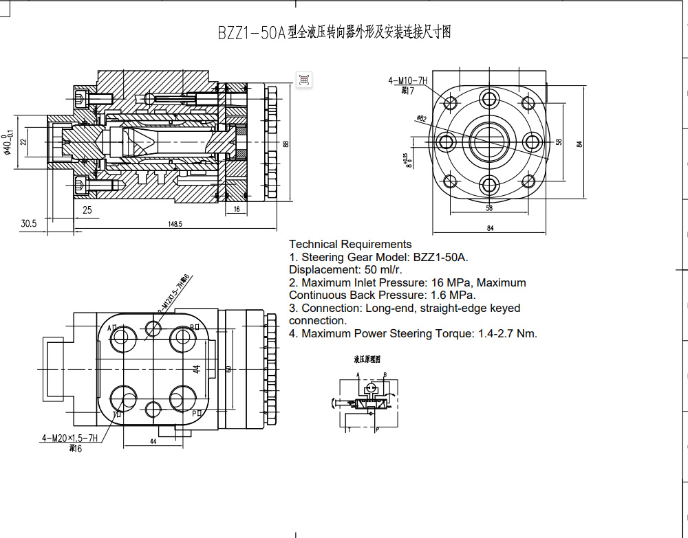
BZZ1-E50A, 50 ml/dev deplasmana sahip, malzeme taşıma, inşaat, tarım ve endüstriyel araçlarda çeşitli uygulamalar için tasarlanmış sağlam bir hidrolik direksiyon ünitesidir. 16 MPa maksimum giriş basıncı ve özel performans için özelleştirilebilir bir valf bloğu özelliklerine sahiptir. Üretim, OEM, ODM ve toptan satış seçenekleri sunmaktayız.
| BZZ1 Serisi Direksiyon Ünitesi Parameters | |
|---|---|
| Deplasman | 50 ml/r, 63 ml/r, 100 ml/r, 80 ml/r, 125 ml/r, 160 ml/r, 200 ml/r, 250 ml/r, 280 ml/r, 315 ml/r, 400 ml/r, 500 ml/r, 630 ml/r, 800 ml/r, 1000 ml/r |
| Valf Bloğu | Özelleştirilebilir |
| Malzeme | Dökme Demir |
| Anma Akışı | 5 L/dakika, 6 L/dakika, 4 L/dakika, 7,5 L/dakika, 9,5 L/dakika, 12 L/dakika, 15 L/dakika, 19 L/dakika, 21 L/dakika, 24 L/dakika, 30 L/dakika, 38 L/dakika, 48 L/dakika, 60 L/dakika, 75 L/dakika |
| Maksimum Sürekli Geri Basınç | 2,5 Mpa |
| Maksimum Giriş Basıncı | 16 Mpa |
BZZ1-E50A hidrolik direksiyon ünitesi, çeşitli makineler için güvenilir ve verimli bir çözüm sunar. Dökme demir yapısı, zorlu çalışma koşullarında bile dayanıklılık ve uzun ömür sağlar. Temel özellikler şunlardır:
* **Yüksek Performans:** 50 ml/dev deplasman, 4 L/dak anma akışı ve 16 MPa maksimum giriş basıncı, güçlü ve hassas direksiyon sağlar.
* **Özelleştirilebilir Valf Bloğu:** Belirli makine gereksinimlerine uyum sağlamayı ve optimize edilmiş sistem performansını mümkün kılar.
* **Dayanıklı Yapı:** Dökme demir malzeme, sağlam çalışma ve aşınma-yıpranmaya karşı direnç sağlar.
* **Çok Yönlü Uygulamalar:** Forkliftler, mini yükleyiciler, kompakt tekerlekli yükleyiciler, teleskopik yükleyiciler, traktörler, mini ekskavatörler ve beko loderler dahil olmak üzere çeşitli makineler için uygundur.
* **Üretim Esnekliği:** Çeşitli müşteri ihtiyaçlarını karşılamak için üretim, OEM, ODM ve toptan satış seçenekleri sunmaktayız. Pazar erişimimizi genişletmek amacıyla dünya çapında distribütörler, toptancılar, acenteler ve ticari ortaklar aramaktayız. Yeteneklerimiz hakkında daha fazla bilgi edinmek ve özel gereksinimlerinizi görüşmek için bugün bize ulaşın.



