Hızlı Teslimat
30 günlük ekspres teslimat



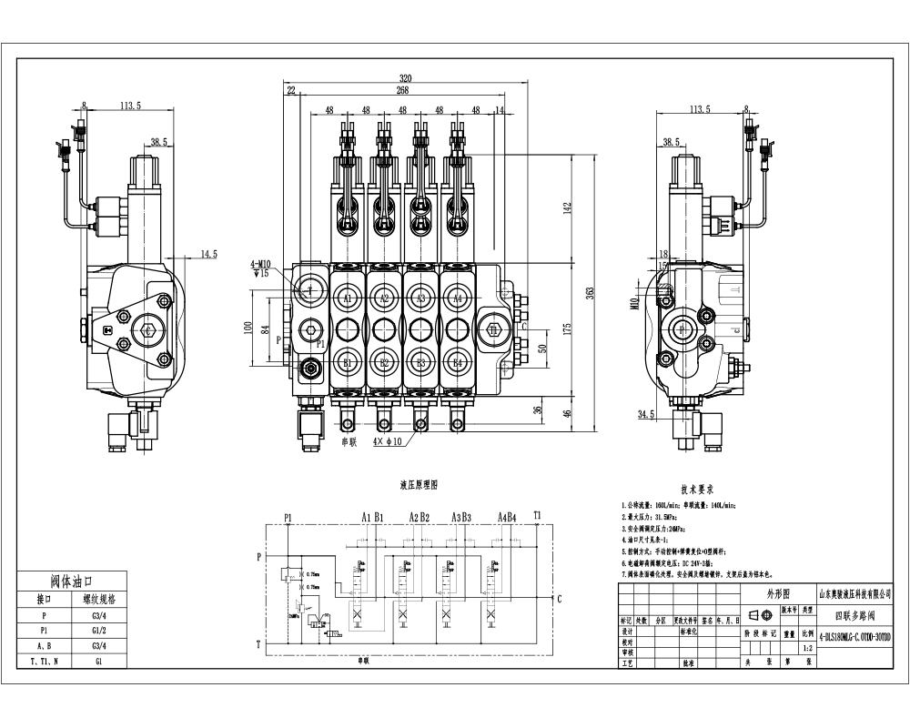
HSDLS180, malzeme taşıma, inşaat, tarım ve endüstriyel araçlardaki yüksek akışlı, yüksek basınçlı uygulamalar için tasarlanmış, elektrikli boşaltma özelliğine sahip sağlam, manuel 4 makaralı kesit yön kontrol hidrolik valfidir. Zorlu ortamlarda güvenilir kontrol ve dayanıklılık sunar.
| SDS180 Serisi Kesitsel Yönsel Valf Parameters | |
|---|---|
| Makara | 1 Makara, 3 Makara, 4 Makara, 5 Makara, 6 Makara, 7 Makara |
| Kontrol Yöntemi | Manuel, Hidrolik |
| Port Boyutu | G3/4, G1, SAE 12 |
| Bölüm | 1 Bölüm, 2 Bölüm, 3 Bölüm, 4 Bölüm, 5 Bölüm, 6 Bölüm, 7 Bölüm, 8 Bölüm, 9 Bölüm, 10 Bölüm |
| Ortam Sıcaklık Aralığı | -40°C ila +80°C (-40°F ila +176°F) |
| İşletme Viskozite Aralığı | 12 - 400 mm²/sn (12 cSt ila 400 cSt) |
| Çıkış Portu | G1, SAE 16 |
| Maksimum Basınç | 350 bar (5100 psi) |
| Anma Akışı | 160 L/dk (42,2 ABD galon/dak) |
| Yapı Türü | Seksiyonel vana |
| Giriş Portu | G3/4, G1, SAE 12 |
HSDLS180-Elektrikli boşaltma valfi Manuel 4 Makara Kesit Yön Kontrol Valfi, hidrolik sistemlerin hassas ve güçlü kontrolünü gerektiren geniş bir uygulama yelpazesi için ideal, yüksek performanslı bir hidrolik bileşendir. Başlıca özellikleri şunlardır:
* **Yüksek Akış Hızı:** 160 L/min (42.2 US gpm) ağır yükler altında bile verimli çalışma sağlar.
* **Yüksek Basınç Dayanımı:** 350 bar (5100 psi) maksimum basınç değeri, zorlu koşullarda güvenilir performans garanti eder.
* **Geniş Viskozite Aralığı:** Valf, 12 ila 400 mm²/s (12 cSt ila 400 cSt) arasında değişen akışkanlarla etkili bir şekilde çalışır.
* **Dayanıklı Yapı:** -40°C ila +80°C (-40°F ila +176°F) çalışma sıcaklığı aralığı ile zorlu ortamlara dayanacak şekilde üretilmiştir.
* **Manuel Kontrol:** Manuel aktivasyon yoluyla basit ve sezgisel çalışma.
* **Elektrikli Boşaltma:** Hidrolik sistemin daha hızlı ve kolay boşaltılmasını sağlar.
* **Dört Bölüm:** Dört hidrolik fonksiyonun bağımsız kontrolüne olanak tanır.
* **Kesit Valf Tasarımı:** Modülerlik ve kolay bakım sunar.
**Uygulamalar:** HSDLS180, aşağıdakiler dahil çeşitli uygulamalar için mükemmel şekilde uygundur:
* **Malzeme Taşıma:** Forkliftler, telehandlerlar ve diğer malzeme taşıma ekipmanları.
* **İnşaat ve Hafriyat:** Mini yükleyiciler, kompakt lastikli yükleyiciler, lastikli yükleyiciler, kazıcı yükleyiciler.
* **Tarım:** Traktörler, biçerdöverler, balya makineleri ve diğer tarım makineleri.
* **Endüstriyel Araçlar:** Hassas hidrolik kontrol gerektiren çeşitli endüstriyel makineler.
Bu valf için üretim, OEM, özel etiketleme, özelleştirme ve toptan satış hizmetleri sunmaktayız. Pazar erişimimizi genişletmek amacıyla dünya çapında distribütörler, toptancılar, acenteler ve ticari ortaklar aramaktayız. Özel gereksinimlerinizi görüşmek ve ortaklık fırsatlarını keşfetmek için bizimle iletişime geçin.



