Hızlı Teslimat
30 günlük ekspres teslimat



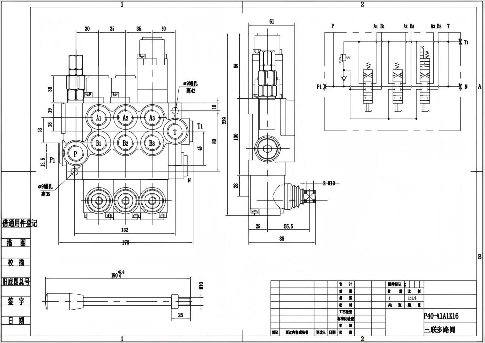
P40-G12-G38 Manuel 3 Makara Monoblok Yön Kontrol Valfi, zorlu uygulamalar için tasarlanmış yüksek performanslı bir hidrolik valftir. 40 L/dak nominal akış ve 250 bar maksimum basınç ile bu valf, geniş bir hidrolik akışkan ve çalışma koşulları yelpazesini kaldırabilir. 3 makaralı tasarım, hidrolik akışın hassas kontrolünü sağlayarak çeşitli uygulamalar için uygun hale getirir. Bu valf, dayanıklı malzemelerden yapılmıştır ve zorlu ortamlara dayanacak şekilde tasarlanmıştır, en zorlu koşullarda bile güvenilir performans sağlar.
| P40 Serisi Monoblok Yönlendirmeli Vana Parameters | |
|---|---|
| Kontrol Yöntemi | Manuel, Pnömatik, Elektropnömatik, Elektrohidrolik, Selenoid, Hidrolik, Hidrolik ve Manuel, Kablo, Joystick, Manuel ve Joystick |
| Makara | 1 Makara, 2 Makara, 3 Makara, 4 Makara, 5 Makara, 6 Makara, 7 Makara |
| Anma Akışı | 40 L/dk (10,5 ABD galon/dak) |
| Maksimum Basınç | 250 bar (3600 psi) |
| Giriş Portu | G3/8, G1/2, M18×1.5, M22×1.5, SAE 8, SAE 10, 3/8 NPT, 1/2 NPT |
| Çıkış Portu | G3/8, G1/2, M18×1.5, M22×1.5, SAE 8, SAE 10, 3/8 NPT, 1/2 NPT |
| Port Boyutu | G3/8, G1/2, M18×1.5, SAE 8, SAE 10, 3/8 NPT, 1/2 NPT |
| Bölüm | 1 Bölüm, 2 Bölüm, 3 Bölüm, 4 Bölüm, 5 Bölüm, 6 Bölüm, 7 Bölüm |
| Yapı Türü | Monoblock vana |
| Ortam Sıcaklık Aralığı | -40°C ila +80°C (-40°F ila +176°F) |
| İşletme Viskozite Aralığı | 15 - 75 mm²/sn (15 cSt ila 75 cSt) |
**Ürün Özellikleri ve Avantajları:**
* Hassas çalışma için manuel kontrol
* Çok yönlü akış kontrolü için 3 makara tasarımı
* Dayanıklılık ve güvenilirlik için monoblok yapı
* Çeşitli hidrolik akışkanlarla uyumluluk için geniş çalışma viskozite aralığı
* -40°C ila +80°C ortam sıcaklığı aralığıyla zorlu ortamlar için uygundur
**Uygulamalar:**
Bu valf, aşağıdakiler dahil olmak üzere çeşitli endüstrilerde yaygın olarak kullanılmaktadır:
* Endüstriyel makineler
* İnşaat ekipmanları
* Tarım makineleri
* Malzeme taşıma ekipmanları
**Özel uygulamalar şunları içerir:**
* Teleskopik yükleyiciler
* Forkliftler
* Vinçler
* İstifleyiciler
* Hava platformları
* Ekskavatörler
* Mini yükleyiciler
* Kompakt tekerlekli yükleyiciler



