Hızlı Teslimat
30 günlük ekspres teslimat



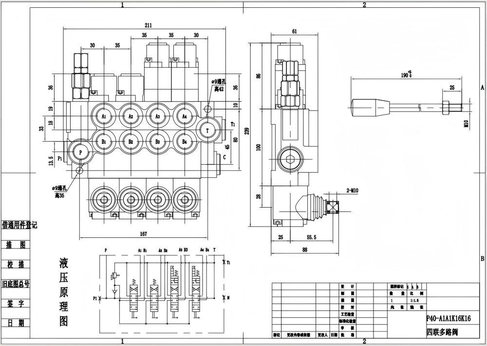
P40-G12-G38 Manuel 4 Makara Monoblok Yön Kontrol Valfi, malzeme taşıma, inşaat, tarım ve endüstriyel araçlar gibi sektörlerdeki çeşitli uygulamalar için tasarlanmış yüksek performanslı bir hidrolik valftir. Sağlam yapısı, güvenilir manuel kontrolü ve kompakt monoblok tasarımı ile bu valf, hidrolik sistemlerde hassas akış kontrolü ve yön değiştirme imkanı sunar.
| P40 Serisi Monoblok Yönlendirmeli Vana Parameters | |
|---|---|
| Kontrol Yöntemi | Manuel, Pnömatik, Elektropnömatik, Elektrohidrolik, Selenoid, Hidrolik, Hidrolik ve Manuel, Kablo, Joystick, Manuel ve Joystick |
| Makara | 1 Makara, 2 Makara, 3 Makara, 4 Makara, 5 Makara, 6 Makara, 7 Makara |
| Anma Akışı | 40 L/dk (10,5 ABD galon/dak) |
| Maksimum Basınç | 250 bar (3600 psi) |
| Giriş Portu | G3/8, G1/2, M18×1.5, M22×1.5, SAE 8, SAE 10, 3/8 NPT, 1/2 NPT |
| Çıkış Portu | G3/8, G1/2, M18×1.5, M22×1.5, SAE 8, SAE 10, 3/8 NPT, 1/2 NPT |
| Port Boyutu | G3/8, G1/2, M18×1.5, SAE 8, SAE 10, 3/8 NPT, 1/2 NPT |
| Bölüm | 1 Bölüm, 2 Bölüm, 3 Bölüm, 4 Bölüm, 5 Bölüm, 6 Bölüm, 7 Bölüm |
| Yapı Türü | Monoblock vana |
| Ortam Sıcaklık Aralığı | -40°C ila +80°C (-40°F ila +176°F) |
| İşletme Viskozite Aralığı | 15 - 75 mm²/sn (15 cSt ila 75 cSt) |
**Ürün Özellikleri ve Faydaları:**
* Hassas ve duyarlı çalışma için manuel kontrol
* Çok yönlü akış kontrolü için 4 makaralı tasarım
* Kompakt ve sızdırmaz performans için monoblok yapı
* 40 L/dak (10.5 US gpm) akış kapasitesi
* 250 bar (3600 psi) maksimum basınç değeri
* 15 - 75 mm²/s (15 cSt ila 75 cSt) geniş çalışma viskozite aralığı
* Zorlu uygulamalar için dayanıklı yapı
**Uygulama Alanları:**
P40-G12-G38 Manuel 4 Makara Monoblok Yön Kontrol Valfi, aşağıdakiler dahil olmak üzere geniş bir uygulama yelpazesi için uygundur:
* Forkliftler, teleskopik yükleyiciler ve vinçler gibi malzeme taşıma ekipmanları
* Ekskavatörler, mini yükleyiciler ve greyderler gibi inşaat makineleri
* Traktörler, biçerdöverler ve balya makineleri gibi tarım araçları
* Süpürücüler, çöp sıkıştırıcılar ve kancalı yükleyiciler gibi endüstriyel araçlar



