Hızlı Teslimat
30 günlük ekspres teslimat



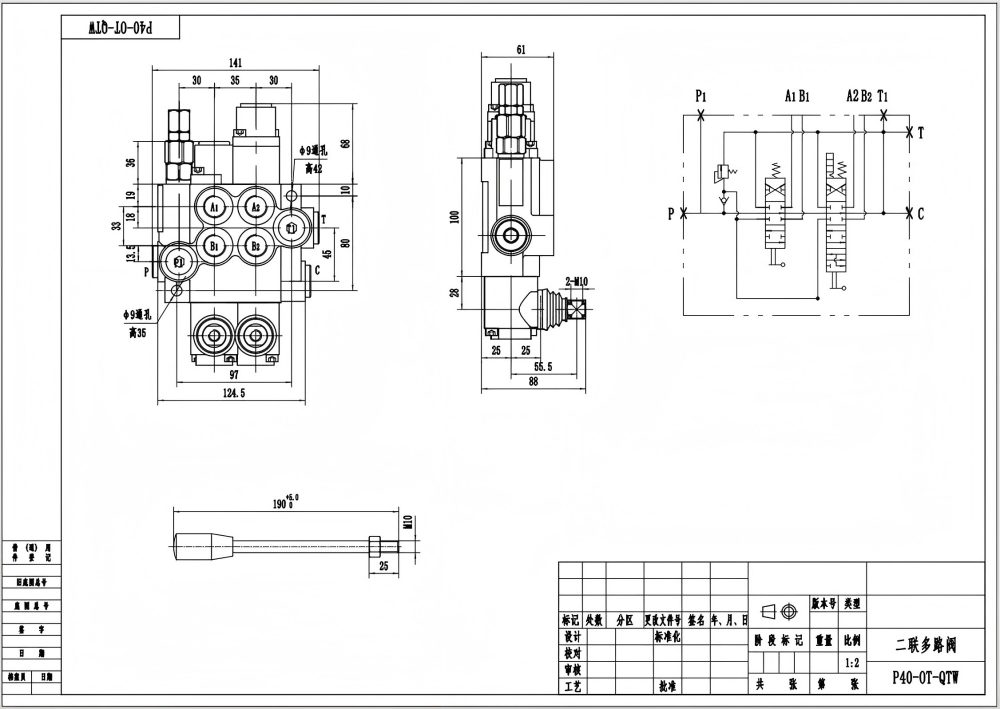
P40-G12-G38-OT-QTW Manuel 2 Makara Monoblok Yön Kontrol Valfi, çok çeşitli endüstriyel uygulamalarda kullanılmak üzere tasarlanmış yüksek performanslı bir hidrolik valftir. 40 L/dak nominal akış ve 250 bar maksimum basınç ile bu valf, zorlu hidrolik sistemleri yönetebilir. Kompakt monoblok tasarımı ve manuel kontrol yöntemi, mevcut sistemlere kolay entegrasyonunu sağlar.
| P40 Serisi Monoblok Yönlendirmeli Vana Parameters | |
|---|---|
| Kontrol Yöntemi | Manuel, Pnömatik, Elektropnömatik, Elektrohidrolik, Selenoid, Hidrolik, Hidrolik ve Manuel, Kablo, Joystick, Manuel ve Joystick |
| Makara | 1 Makara, 2 Makara, 3 Makara, 4 Makara, 5 Makara, 6 Makara, 7 Makara |
| Anma Akışı | 40 L/dk (10,5 ABD galon/dak) |
| Maksimum Basınç | 250 bar (3600 psi) |
| Giriş Portu | G3/8, G1/2, M18×1.5, M22×1.5, SAE 8, SAE 10, 3/8 NPT, 1/2 NPT |
| Çıkış Portu | G3/8, G1/2, M18×1.5, M22×1.5, SAE 8, SAE 10, 3/8 NPT, 1/2 NPT |
| Port Boyutu | G3/8, G1/2, M18×1.5, SAE 8, SAE 10, 3/8 NPT, 1/2 NPT |
| Bölüm | 1 Bölüm, 2 Bölüm, 3 Bölüm, 4 Bölüm, 5 Bölüm, 6 Bölüm, 7 Bölüm |
| Yapı Türü | Monoblock vana |
| Ortam Sıcaklık Aralığı | -40°C ila +80°C (-40°F ila +176°F) |
| İşletme Viskozite Aralığı | 15 - 75 mm²/sn (15 cSt ila 75 cSt) |
**Ürün Özellikleri ve Faydaları:**
* Hassas çalışma için manuel kontrol
* Çok yönlülük için 2 makaralı tasarım
* Kompakt ve sızdırmaz performans için monoblok yapı
* Yüksek verimlilik için 40 L/dak nominal akış
* Dayanıklılık için 250 bar maksimum basınç
* Çeşitli hidrolik akışkanlarla uyumluluk için 15 - 75 mm²/s çalışma viskozite aralığı
* Zorlu ortamlarda kullanım için -40°C ila +80°C ortam sıcaklığı aralığı
**Uygulamalar:**
* Malzeme taşıma ekipmanları
* İnşaat ve hafriyat makineleri
* Tarım makineleri
* Endüstriyel araçlar
* Teleskopik yükleyiciler
* Forkliftler
* Arazi vinçleri
* İstifleyiciler
* Hava platformları
* Greyderler



