Hızlı Teslimat
30 günlük ekspres teslimat



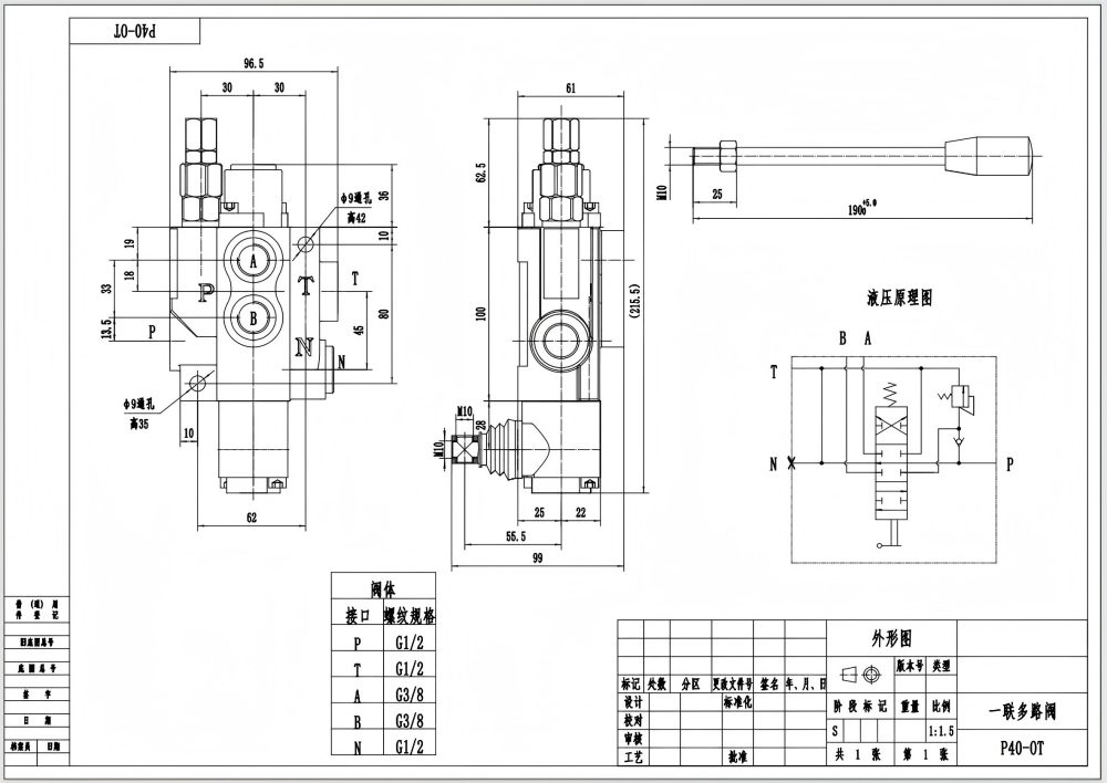
P40-G12-OT Manuel 1 Makara Monoblok Yön Kontrol Valfi, çeşitli endüstrilerdeki zorlu uygulamalar için tasarlanmış yüksek performanslı bir hidrolik valftir. 40 L/dak anma akışı ve 250 bar maksimum basıncı ile bu valf, güvenilir ve verimli akış kontrolü sağlar. Kompakt monoblok tasarımı, dayanıklılığı ve kolay kurulumu garanti ederek, alanın kısıtlı olduğu uygulamalar için ideal bir seçimdir.
| P40 Serisi Monoblok Yönlendirmeli Vana Parameters | |
|---|---|
| Kontrol Yöntemi | Manuel, Pnömatik, Elektropnömatik, Elektrohidrolik, Selenoid, Hidrolik, Hidrolik ve Manuel, Kablo, Joystick, Manuel ve Joystick |
| Makara | 1 Makara, 2 Makara, 3 Makara, 4 Makara, 5 Makara, 6 Makara, 7 Makara |
| Anma Akışı | 40 L/dk (10,5 ABD galon/dak) |
| Maksimum Basınç | 250 bar (3600 psi) |
| Giriş Portu | G3/8, G1/2, M18×1.5, M22×1.5, SAE 8, SAE 10, 3/8 NPT, 1/2 NPT |
| Çıkış Portu | G3/8, G1/2, M18×1.5, M22×1.5, SAE 8, SAE 10, 3/8 NPT, 1/2 NPT |
| Port Boyutu | G3/8, G1/2, M18×1.5, SAE 8, SAE 10, 3/8 NPT, 1/2 NPT |
| Bölüm | 1 Bölüm, 2 Bölüm, 3 Bölüm, 4 Bölüm, 5 Bölüm, 6 Bölüm, 7 Bölüm |
| Yapı Türü | Monoblock vana |
| Ortam Sıcaklık Aralığı | -40°C ila +80°C (-40°F ila +176°F) |
| İşletme Viskozite Aralığı | 15 - 75 mm²/sn (15 cSt ila 75 cSt) |
**Ürün Özellikleri ve Faydaları:**
* Hassas akış düzenlemesi için manuel kontrol
* Basit ve verimli çalışma için 1 bölümlü tasarım
* Dayanıklılık ve kompakt boyut için monoblok yapı
* Çeşitli hidrolik akışkanlarla uyumluluk için 15 - 75 mm²/s çalışma viskozite aralığı
* Zorlu koşullarda kullanım için -40°C ila +80°C ortam sıcaklık aralığı
**Uygulamalar:**
P40-G12-OT Manuel 1 Makara Monoblok Yön Kontrol Valfi, aşağıdakiler dahil çeşitli uygulamalarda yaygın olarak kullanılmaktadır:
* Malzeme taşıma ekipmanları
* İnşaat ve hafriyat makineleri
* Tarım araçları
* Endüstriyel araçlar
**Belirli Uygulamalar:**
* Teleskopik yükleyiciler (Telehandler)
* Forkliftler
* Arazi vinçleri
* İstifleyiciler
* Hava platformları
* Greyderler (Motorlu greyderler)
* Midi-eksavatörler
* Mini-eksavatörler
* Mini yükleyiciler (Skid steer loader)



