Hızlı Teslimat
30 günlük ekspres teslimat



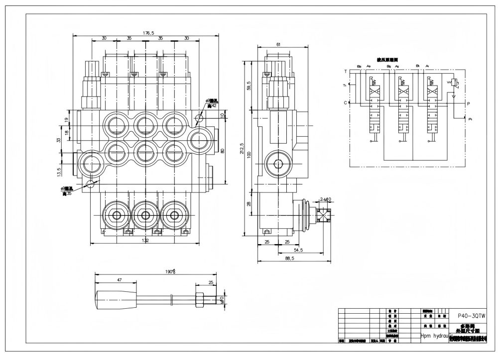
P40-G38-G12-OT Manuel 3 Makara Monoblok Yön Kontrol Valfi, zorlu uygulamalar için tasarlanmış yüksek performanslı bir hidrolik valftir. 40 L/dak (10,5 ABD gal/dak) nominal akış ve 250 bar (3600 psi) maksimum basınç ile güvenilir ve verimli akış kontrolü sağlar. Monoblok yapısı dayanıklılık sağlar ve sızıntıyı en aza indirir; manuel kontrol ise hassas ve duyarlı çalışma imkanı sunar. Valf, malzeme taşıma, inşaat, tarım ve endüstriyel araçlar dahil olmak üzere geniş bir uygulama yelpazesi için uygundur.
| P40 Serisi Monoblok Yönlendirmeli Vana Parameters | |
|---|---|
| Kontrol Yöntemi | Manuel, Pnömatik, Elektropnömatik, Elektrohidrolik, Selenoid, Hidrolik, Hidrolik ve Manuel, Kablo, Joystick, Manuel ve Joystick |
| Makara | 1 Makara, 2 Makara, 3 Makara, 4 Makara, 5 Makara, 6 Makara, 7 Makara |
| Anma Akışı | 40 L/dk (10,5 ABD galon/dak) |
| Maksimum Basınç | 250 bar (3600 psi) |
| Giriş Portu | G3/8, G1/2, M18×1.5, M22×1.5, SAE 8, SAE 10, 3/8 NPT, 1/2 NPT |
| Çıkış Portu | G3/8, G1/2, M18×1.5, M22×1.5, SAE 8, SAE 10, 3/8 NPT, 1/2 NPT |
| Port Boyutu | G3/8, G1/2, M18×1.5, SAE 8, SAE 10, 3/8 NPT, 1/2 NPT |
| Bölüm | 1 Bölüm, 2 Bölüm, 3 Bölüm, 4 Bölüm, 5 Bölüm, 6 Bölüm, 7 Bölüm |
| Yapı Türü | Monoblock vana |
| Ortam Sıcaklık Aralığı | -40°C ila +80°C (-40°F ila +176°F) |
| İşletme Viskozite Aralığı | 15 - 75 mm²/sn (15 cSt ila 75 cSt) |
**Ürün Özellikleri ve Faydaları:**
* **Akış Kapasitesi:** Verimli sıvı transferi için 40 L/dak (10,5 ABD gal/dak) nominal akış.
* **Basınç Kapasitesi:** Zorlu uygulamalar için 250 bar (3600 psi) maksimum basınç.
* **Monoblok Yapı:** Güvenilir performans için dayanıklı ve sızdırmaz tasarım.
* **Manuel Kontrol:** Optimum akış kontrolü için hassas ve duyarlı çalışma.
* **Geniş Çalışma Sıcaklığı Aralığı:** Çeşitli ortamlarda kullanım için -40°C ila +80°C (-40°F ila +176°F).
**Uygulamalar:**
* Malzeme Taşıma: Forkliftler, teleskopik yükleyiciler, vinçler, istifleyiciler
* İnşaat ve Hafriyat: Ekskavatörler, yükleyiciler, greyderler, damperler
* Tarım: Traktörler, biçerdöverler, balyalama makineleri, ilaçlama makineleri
* Endüstriyel Araçlar: Süpürücüler, çöp sıkıştırıcılar, kanca yükleyiciler



