Hızlı Teslimat
30 günlük ekspres teslimat



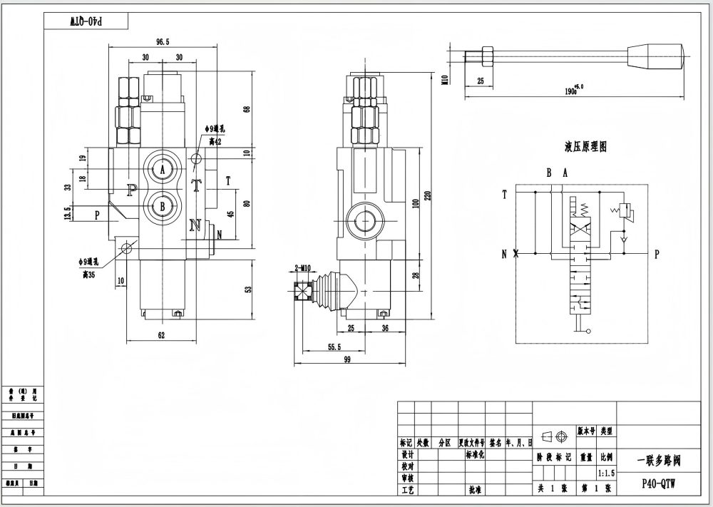
P40-G38-OT Manuel 1 Makara Monoblok Yön Kontrol Valfi, malzeme taşıma, inşaat, tarım ve endüstriyel araçlar gibi sektörlerdeki çeşitli uygulamalar için tasarlanmış yüksek performanslı bir hidrolik valftir. Kompakt monoblok tasarıma, manuel kontrole ve 40 L/dak (10.5 US gpm) nominal akışa sahiptir, bu da onu geniş bir hidrolik sistem yelpazesi için uygun kılar.
| P40 Serisi Monoblok Yönlendirmeli Vana Parameters | |
|---|---|
| Kontrol Yöntemi | Manuel, Pnömatik, Elektropnömatik, Elektrohidrolik, Selenoid, Hidrolik, Hidrolik ve Manuel, Kablo, Joystick, Manuel ve Joystick |
| Makara | 1 Makara, 2 Makara, 3 Makara, 4 Makara, 5 Makara, 6 Makara, 7 Makara |
| Anma Akışı | 40 L/dk (10,5 ABD galon/dak) |
| Maksimum Basınç | 250 bar (3600 psi) |
| Giriş Portu | G3/8, G1/2, M18×1.5, M22×1.5, SAE 8, SAE 10, 3/8 NPT, 1/2 NPT |
| Çıkış Portu | G3/8, G1/2, M18×1.5, M22×1.5, SAE 8, SAE 10, 3/8 NPT, 1/2 NPT |
| Port Boyutu | G3/8, G1/2, M18×1.5, SAE 8, SAE 10, 3/8 NPT, 1/2 NPT |
| Bölüm | 1 Bölüm, 2 Bölüm, 3 Bölüm, 4 Bölüm, 5 Bölüm, 6 Bölüm, 7 Bölüm |
| Yapı Türü | Monoblock vana |
| Ortam Sıcaklık Aralığı | -40°C ila +80°C (-40°F ila +176°F) |
| İşletme Viskozite Aralığı | 15 - 75 mm²/sn (15 cSt ila 75 cSt) |
**Ürün Özellikleri ve Faydaları:**
* Yerden tasarruf sağlayan kurulum için kompakt monoblok tasarım
* Hassas ve güvenilir çalışma için manuel kontrol
*Çeşitli uygulamaların taleplerini karşılamak için 40 L/dak (10.5 US gpm) akış kapasitesi
* Dayanıklı yapı, uzun servis ömrü ve güvenilirlik sağlar
* Geniş bir hidrolik sistem yelpazesiyle uyumlu çok yönlü tasarım
**Uygulamalar:**
P40-G38-OT Manuel 1 Makara Monoblok Yön Kontrol Valfi, çeşitli uygulamalar için hidrolik sistemlerde yaygın olarak kullanılır, bunlar arasında:
* Forkliftler, teleskopik yükleyiciler ve vinçler gibi malzeme taşıma ekipmanları
* Ekskavatörler, yükleyiciler ve greyderler gibi inşaat makineleri
* Traktörler, biçerdöverler ve balya makineleri gibi tarım ekipmanları
* Süpürücüler, kompaktörler ve atık işleyiciler gibi endüstriyel araçlar



