Hızlı Teslimat
30 günlük ekspres teslimat



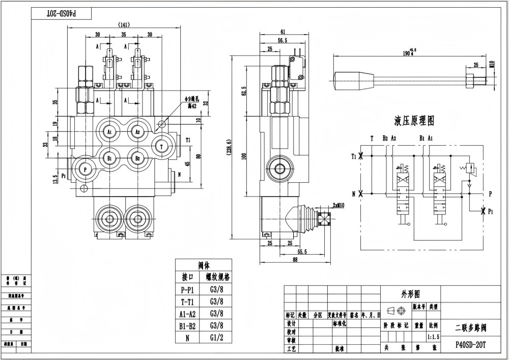
P40 Mikro Anahtarlı Manuel 2 Makaralı Monoblok Yön Kontrol Valfi, malzeme taşıma, inşaat ve toprak işleme, tarım ve endüstriyel araçlarda çeşitli uygulamalar için tasarlanmış kompakt ve yüksek performanslı bir valftir. Manuel kontrolü, 2 bölümlü tasarımı ve 40 L/dk akış hızı ile bu valf, hidrolik sistemlerde güvenilir ve verimli akış kontrolü sağlar.
| P40 Serisi Monoblok Yönlendirmeli Vana Parameters | |
|---|---|
| Kontrol Yöntemi | Manuel, Pnömatik, Elektropnömatik, Elektrohidrolik, Selenoid, Hidrolik, Hidrolik ve Manuel, Kablo, Joystick, Manuel ve Joystick |
| Makara | 1 Makara, 2 Makara, 3 Makara, 4 Makara, 5 Makara, 6 Makara, 7 Makara |
| Anma Akışı | 40 L/dk (10,5 ABD galon/dak) |
| Maksimum Basınç | 250 bar (3600 psi) |
| Giriş Portu | G3/8, G1/2, M18×1.5, M22×1.5, SAE 8, SAE 10, 3/8 NPT, 1/2 NPT |
| Çıkış Portu | G3/8, G1/2, M18×1.5, M22×1.5, SAE 8, SAE 10, 3/8 NPT, 1/2 NPT |
| Port Boyutu | G3/8, G1/2, M18×1.5, SAE 8, SAE 10, 3/8 NPT, 1/2 NPT |
| Bölüm | 1 Bölüm, 2 Bölüm, 3 Bölüm, 4 Bölüm, 5 Bölüm, 6 Bölüm, 7 Bölüm |
| Yapı Türü | Monoblock vana |
| Ortam Sıcaklık Aralığı | -40°C ila +80°C (-40°F ila +176°F) |
| İşletme Viskozite Aralığı | 15 - 75 mm²/sn (15 cSt ila 75 cSt) |
**Ürün Özellikleri ve Faydaları:**
* Hassas ve duyarlı çalışma için manuel kontrol
* Çok yönlü akış kontrolü için 2 bölümlü tasarım
* Alan kısıtlı uygulamalarda kolay kurulum için kompakt boyut
* Verimli sistem çalışması için 40 L/dk yüksek akış hızı
* Zorlu uygulamalar için maksimum 250 bar basınç
* Çeşitli hidrolik akışkanlarla uyumluluk için geniş çalışma viskozite aralığı
* Avrupa güvenlik standartlarına uygunluk için CE sertifikalı
**Uygulamalar:**
P40 Mikro Anahtarlı Manuel 2 Makaralı Monoblok Yön Kontrol Valfi, aşağıdakiler dahil olmak üzere geniş bir uygulama yelpazesi için uygundur:
* Malzeme taşıma ekipmanları
* İnşaat ve hafriyat makineleri
* Tarım araçları
* Endüstriyel araçlar
* Ormancılık ekipmanları



