Hızlı Teslimat
30 günlük ekspres teslimat



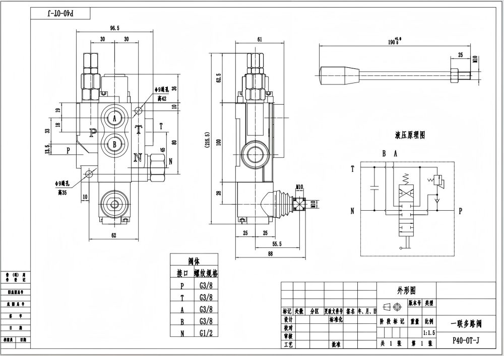
P40J Manuel 1 Makara Monoblok Yön Kontrol Valfi, çeşitli hidrolik sistemlerde hassas akış kontrolü için tasarlanmış yüksek performanslı bir hidrolik valftir. 40 L/dak nominal akış ve 250 bar maksimum basınç ile bu valf, güvenilir ve verimli çalışma sunar. Kompakt monoblok tasarımı, dayanıklılık ve kolay kurulum sağlar.
| P40 Serisi Monoblok Yönlendirmeli Vana Parameters | |
|---|---|
| Kontrol Yöntemi | Manuel, Pnömatik, Elektropnömatik, Elektrohidrolik, Selenoid, Hidrolik, Hidrolik ve Manuel, Kablo, Joystick, Manuel ve Joystick |
| Makara | 1 Makara, 2 Makara, 3 Makara, 4 Makara, 5 Makara, 6 Makara, 7 Makara |
| Anma Akışı | 40 L/dk (10,5 ABD galon/dak) |
| Maksimum Basınç | 250 bar (3600 psi) |
| Giriş Portu | G3/8, G1/2, M18×1.5, M22×1.5, SAE 8, SAE 10, 3/8 NPT, 1/2 NPT |
| Çıkış Portu | G3/8, G1/2, M18×1.5, M22×1.5, SAE 8, SAE 10, 3/8 NPT, 1/2 NPT |
| Port Boyutu | G3/8, G1/2, M18×1.5, SAE 8, SAE 10, 3/8 NPT, 1/2 NPT |
| Bölüm | 1 Bölüm, 2 Bölüm, 3 Bölüm, 4 Bölüm, 5 Bölüm, 6 Bölüm, 7 Bölüm |
| Yapı Türü | Monoblock vana |
| Ortam Sıcaklık Aralığı | -40°C ila +80°C (-40°F ila +176°F) |
| İşletme Viskozite Aralığı | 15 - 75 mm²/sn (15 cSt ila 75 cSt) |
**Ürün Özellikleri ve Faydaları:**
- Hassas akış regülasyonu için manuel kontrol
- Dayanıklılık ve kompakt boyut için monoblok yapı
- Verimli sistem performansı için 40 L/dak nominal akış
- Zorlu uygulamalar için 250 bar maksimum basınç
- Çeşitli akışkanlarla uyumluluk için geniş çalışma viskozite aralığı (15 - 75 mm²/s)
- Çeşitli koşullarda güvenilir performans için -40°C ila +80°C arası çalışma sıcaklığı aralığı
**Uygulamalar:**
- İş makinelerindeki hidrolik sistemler
- Tarım makineleri
- Endüstriyel araçlar
- Malzeme taşıma ekipmanları
- Teleskopik yükleyiciler
- Forkliftler
- Arazi vinçleri
- İstifleyiciler
- Personel yükseltici platformlar
- Greyderler
- Ekskavatörler
- Mini yükleyiciler
- Kompakt lastik tekerlekli yükleyiciler



