Hızlı Teslimat
30 günlük ekspres teslimat



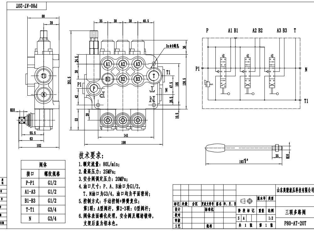
P80-G12-G34-AT-2OT Manuel 3 Spool Monoblok Yön Kontrol Valfi, zorlu hidrolik uygulamalar için tasarlanmış yüksek akışlı, yüksek basınçlı bir valftir. Manuel kontrol yöntemi, 3 spool tasarımı ve artırılmış dayanıklılık ve güvenilirlik için monoblok yapısı ile öne çıkar. 80 L/dak nominal akış ve 250 bar maksimum basınç ile bu valf, malzeme taşıma, inşaat ve hafriyat, tarım ve endüstriyel araçlarda geniş bir uygulama yelpazesi için uygundur.
| P80 Serisi Monoblok Yönlendirmeli Vana Parameters | |
|---|---|
| Makara | 1 Makara, 2 Makara, 3 Makara, 4 Makara, 5 Makara, 6 Makara, 7 Makara |
| Kontrol Yöntemi | Manuel, Pnömatik, Elektropnömatik, Elektrohidrolik, Selenoid, Hidrolik, Hidrolik ve Manuel, Kablo, Joystick |
| Port Boyutu | G1/2, G3/4, M22×1.5, M27×2.0, SAE 10, 1/2 NPT, 3/4 NPT |
| Bölüm | 1 Bölüm, 2 Bölüm, 3 Bölüm, 4 Bölüm, 5 Bölüm, 6 Bölüm, 7 Bölüm |
| Ortam Sıcaklık Aralığı | -40°C ila +80°C (-40°F ila +176°F) |
| İşletme Viskozite Aralığı | 15 - 75 mm²/sn (15 cSt ila 75 cSt) |
| Maksimum Basınç | 315 bar (4600 psi) |
| Anma Akışı | 80 L/dk (21,2 ABD galon/dak) |
| Yapı Türü | Monoblock vana |
| Giriş Portu | G1/2, G3/4, M27×2.0, SAE 10, SAE 12, 1/2 NPT, 3/4 NPT |
**Ürün Özellikleri ve Faydaları:**
* Verimli çalışma için 80 L/dak yüksek akış kapasitesi
* Zorlu uygulamalar için 250 bar yüksek basınç değeri
* Hassas ve duyarlı çalışma için manuel kontrol yöntemi
* Çoklu hidrolik fonksiyonların çok yönlü kontrolü için 3 spool tasarımı
* Artırılmış dayanıklılık ve azaltılmış sızıntı için monoblok yapı
* Çeşitli hidrolik sıvılarla uyumluluk için geniş 15 - 75 mm²/s viskozite çalışma aralığı
* Aşırı koşullarda güvenilir performans için geniş -40°C ila +80°C ortam sıcaklığı aralığı
**Uygulamalar:**
* Malzeme Taşıma: Forkliftler, teleskopik yükleyiciler, vinçler, istifleyiciler, personel yükseltici platformlar
* İnşaat ve Hafriyat: Ekskavatörler, mini yükleyiciler, kompakt lastikli yükleyiciler, greyderler
* Tarım: Traktörler, biçerdöverler, balya makineleri, ilaçlama makineleri
* Endüstriyel Araçlar: Süpürücüler, çöp kompaktörleri, damperli kasalar, kancalı yükleyiciler



