Hızlı Teslimat
30 günlük ekspres teslimat



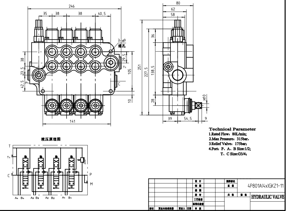
P80-G12-G34-OT manuel 4 makaralı monoblok yön kontrol valfi, geniş bir hidrolik uygulama yelpazesi için tasarlanmış, son derece çok yönlü ve dayanıklı bir bileşendir. 80 L/dak (21.2 ABD galon/dak) nominal akış ve 250 bar (3600 psi) maksimum basınç ile bu valf, zorlu hidrolik sistemleri yönetebilir. Kompakt monoblok tasarımı, kolay kurulum ve bakım sağlar.
| P80 Serisi Monoblok Yönlendirmeli Vana Parameters | |
|---|---|
| Makara | 1 Makara, 2 Makara, 3 Makara, 4 Makara, 5 Makara, 6 Makara, 7 Makara |
| Kontrol Yöntemi | Manuel, Pnömatik, Elektropnömatik, Elektrohidrolik, Selenoid, Hidrolik, Hidrolik ve Manuel, Kablo, Joystick |
| Port Boyutu | G1/2, G3/4, M22×1.5, M27×2.0, SAE 10, 1/2 NPT, 3/4 NPT |
| Bölüm | 1 Bölüm, 2 Bölüm, 3 Bölüm, 4 Bölüm, 5 Bölüm, 6 Bölüm, 7 Bölüm |
| Ortam Sıcaklık Aralığı | -40°C ila +80°C (-40°F ila +176°F) |
| İşletme Viskozite Aralığı | 15 - 75 mm²/sn (15 cSt ila 75 cSt) |
| Maksimum Basınç | 315 bar (4600 psi) |
| Anma Akışı | 80 L/dk (21,2 ABD galon/dak) |
| Yapı Türü | Monoblock vana |
| Giriş Portu | G1/2, G3/4, M27×2.0, SAE 10, SAE 12, 1/2 NPT, 3/4 NPT |
**Ürün Özellikleri ve Faydaları:**
* **Kompakt monoblok tasarım:** Kolay kurulum ve bakım
* **Yüksek akış kapasitesi (80 L/dak):** Zorlu hidrolik sistemler için uygundur
* **Yüksek basınç derecesi (250 bar):** Yüksek sistem basınçlarına dayanabilir
* **Manuel kontrol:** Hassas ve duyarlı çalışma
* **Geniş çalışma viskozitesi aralığı (15 - 75 mm²/s):** Çeşitli hidrolik sıvıları işleyebilir
* **Dayanıklı yapı:** Uzun hizmet ömrü sağlar
**Uygulamalar:**
P80-G12-G34-OT manuel 4 makaralı monoblok yön kontrol valfi, aşağıdakiler dahil olmak üzere çeşitli hidrolik uygulamalarda yaygın olarak kullanılmaktadır:
* Malzeme taşıma ekipmanları (örn. forkliftler, teleskopik yükleyiciler)
* İnşaat ve hafriyat makineleri (örn. ekskavatörler, yükleyiciler)
* Tarım makineleri (örn. traktörler, biçerdöverler)
* Endüstriyel araçlar (örn. süpürücüler, çöp sıkıştırıcılar)



