Hızlı Teslimat
30 günlük ekspres teslimat



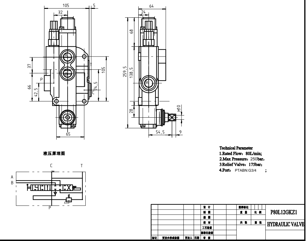
P80-G34-1OT Manuel 1 Makara Monoblok Yön Kontrol Valfi, malzeme taşıma, inşaat, tarım ve endüstriyel araç endüstrilerindeki çeşitli uygulamalar için tasarlanmış yüksek performanslı bir hidrolik valftir. Manuel kontrol mekanizmasına, tek makara tasarımına ve sağlam bir monoblok yapıya sahiptir.
| P80 Serisi Monoblok Yönlendirmeli Vana Parameters | |
|---|---|
| Makara | 1 Makara, 2 Makara, 3 Makara, 4 Makara, 5 Makara, 6 Makara, 7 Makara |
| Kontrol Yöntemi | Manuel, Pnömatik, Elektropnömatik, Elektrohidrolik, Selenoid, Hidrolik, Hidrolik ve Manuel, Kablo, Joystick |
| Port Boyutu | G1/2, G3/4, M22×1.5, M27×2.0, SAE 10, 1/2 NPT, 3/4 NPT |
| Bölüm | 1 Bölüm, 2 Bölüm, 3 Bölüm, 4 Bölüm, 5 Bölüm, 6 Bölüm, 7 Bölüm |
| Ortam Sıcaklık Aralığı | -40°C ila +80°C (-40°F ila +176°F) |
| İşletme Viskozite Aralığı | 15 - 75 mm²/sn (15 cSt ila 75 cSt) |
| Maksimum Basınç | 315 bar (4600 psi) |
| Anma Akışı | 80 L/dk (21,2 ABD galon/dak) |
| Yapı Türü | Monoblock vana |
| Giriş Portu | G1/2, G3/4, M27×2.0, SAE 10, SAE 12, 1/2 NPT, 3/4 NPT |
**Ürün Özellikleri ve Faydaları:**
* Hassas ve güvenilir çalışma için manuel kontrol
* Monoblok tasarım, yapısal bütünlüğü ve dayanıklılığı garanti eder
* Verimli sistem performansı için 80 L/dk (21.2 ABD galonu/dakika) nominal akış
* Zorlu uygulamalar için 250 bar (3600 psi) maksimum basınç
* Çeşitli hidrolik akışkanlarla uyumluluk için 15 - 75 mm²/s (15 cSt ila 75 cSt) çalışma viskozite aralığı
* Çeşitli ortamlarda çalışma için -40°C ila +80°C (-40°F ila +176°F) geniş ortam sıcaklığı aralığı
**Uygulamalar:**
P80-G34-1OT Manuel 1 Makara Monoblok Yön Kontrol Valfi, aşağıdakiler dahil olmak üzere geniş bir hidrolik sistem yelpazesinde kullanım için idealdir:
* Malzeme taşıma ekipmanları (forkliftler, teleskopik yükleyiciler, istifleyiciler)
* İnşaat makineleri (eksavatorler, yükleyiciler, vinçler)
* Tarım araçları (traktörler, biçerdöverler, balya makineleri)
* Endüstriyel araçlar (süpürücüler, çöp kompaktörleri, kancalı yükleyiciler)



