Hızlı Teslimat
30 günlük ekspres teslimat



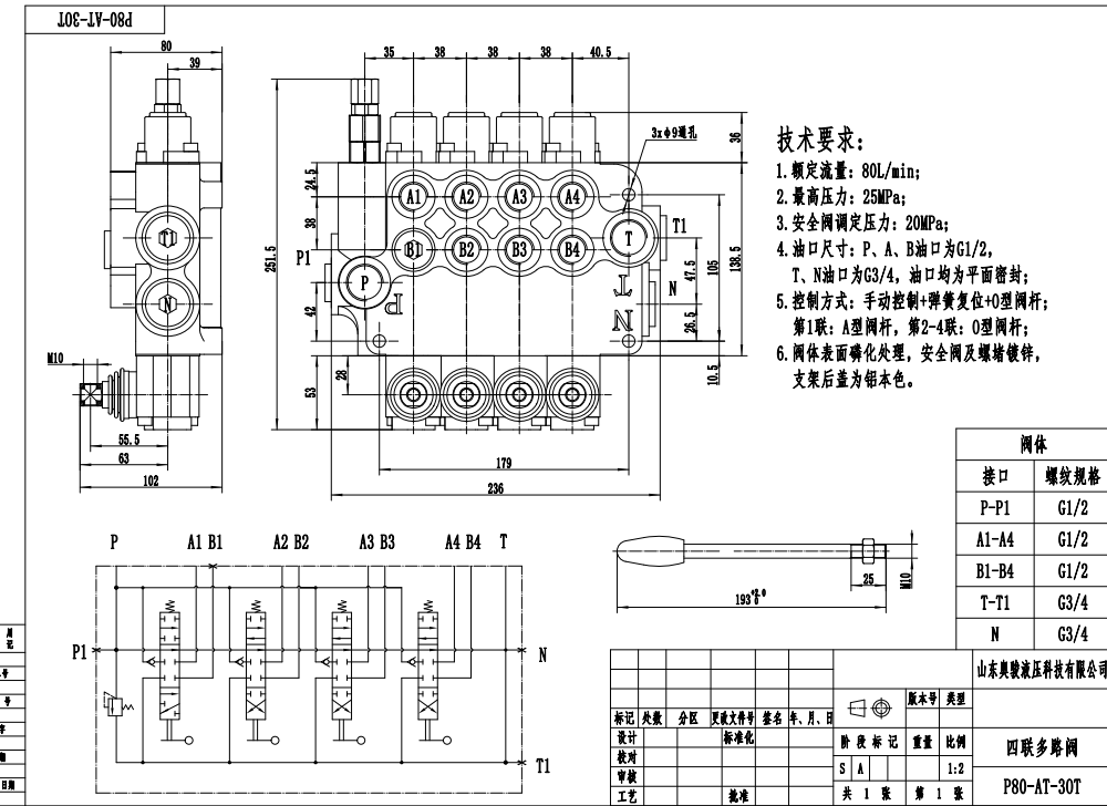
P80-G34-G12-AT-3OT Manuel 4 Makara Monoblok Yön Kontrol Valfi, çeşitli endüstrilerdeki zorlu uygulamalar için tasarlanmış yüksek performanslı bir hidrolik valftir. 80 L/dak nominal akış ve 250 bar maksimum basınç ile hidrolik sistemlerin güvenilir ve verimli kontrolünü sağlar. Monoblok tasarım, kompakt ve sağlam bir yapı sağlayarak, sınırlı alanlarda kullanım için uygun hale getirir.
| P80 Serisi Monoblok Yönlendirmeli Vana Parameters | |
|---|---|
| Makara | 1 Makara, 2 Makara, 3 Makara, 4 Makara, 5 Makara, 6 Makara, 7 Makara |
| Kontrol Yöntemi | Manuel, Pnömatik, Elektropnömatik, Elektrohidrolik, Selenoid, Hidrolik, Hidrolik ve Manuel, Kablo, Joystick |
| Port Boyutu | G1/2, G3/4, M22×1.5, M27×2.0, SAE 10, 1/2 NPT, 3/4 NPT |
| Bölüm | 1 Bölüm, 2 Bölüm, 3 Bölüm, 4 Bölüm, 5 Bölüm, 6 Bölüm, 7 Bölüm |
| Ortam Sıcaklık Aralığı | -40°C ila +80°C (-40°F ila +176°F) |
| İşletme Viskozite Aralığı | 15 - 75 mm²/sn (15 cSt ila 75 cSt) |
| Maksimum Basınç | 315 bar (4600 psi) |
| Anma Akışı | 80 L/dk (21,2 ABD galon/dak) |
| Yapı Türü | Monoblock vana |
| Giriş Portu | G1/2, G3/4, M27×2.0, SAE 10, SAE 12, 1/2 NPT, 3/4 NPT |
**Ürün Özellikleri ve Faydaları:**
* Hassas ve duyarlı çalışma için manuel kontrol
* Çok yönlü akış kontrolü için 4 makara tasarımı
* Kompaktlık ve dayanıklılık için monoblok yapı
* Verimli sistem çalışması için 80 L/dak yüksek akış kapasitesi
* Zorlu uygulamalar için 250 bar maksimum basınç
* Çeşitli hidrolik akışkanlarla uyumluluk için 15 - 75 mm²/s geniş çalışma viskozite aralığı
* Zorlu ortamlarda güvenilir performans için -40°C ila +80°C çalışma sıcaklığı aralığı
**Uygulamalar:**
P80-G34-G12-AT-3OT Manuel 4 Makara Monoblok Yön Kontrol Valfi, çeşitli uygulamalar için hidrolik sistemlerde yaygın olarak kullanılmaktadır:
* Malzeme taşıma ekipmanları
* İnşaat makineleri
* Tarım makineleri
* Endüstriyel araçlar



