Hızlı Teslimat
30 günlük ekspres teslimat



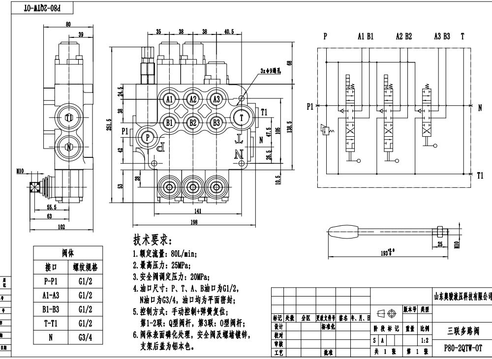
P80-G12-2QTW-OT, hidrolik sistemler için tasarlanmış manuel 3 makaralı monoblok yön kontrol valfidir. 80 L/dk nominal akış hızı, 250 bar maksimum basınç ve 15 - 75 mm²/s çalışma viskozite aralığı sunar. Bu valf, malzeme taşıma, inşaat, hafriyat ve tarım gibi endüstrilerdeki çeşitli uygulamalarda yaygın olarak kullanılmaktadır.
| P80 Serisi Monoblok Yönlendirmeli Vana Parameters | |
|---|---|
| Makara | 1 Makara, 2 Makara, 3 Makara, 4 Makara, 5 Makara, 6 Makara, 7 Makara |
| Kontrol Yöntemi | Manuel, Pnömatik, Elektropnömatik, Elektrohidrolik, Selenoid, Hidrolik, Hidrolik ve Manuel, Kablo, Joystick |
| Port Boyutu | G1/2, G3/4, M22×1.5, M27×2.0, SAE 10, 1/2 NPT, 3/4 NPT |
| Bölüm | 1 Bölüm, 2 Bölüm, 3 Bölüm, 4 Bölüm, 5 Bölüm, 6 Bölüm, 7 Bölüm |
| Ortam Sıcaklık Aralığı | -40°C ila +80°C (-40°F ila +176°F) |
| İşletme Viskozite Aralığı | 15 - 75 mm²/sn (15 cSt ila 75 cSt) |
| Maksimum Basınç | 315 bar (4600 psi) |
| Anma Akışı | 80 L/dk (21,2 ABD galon/dak) |
| Yapı Türü | Monoblock vana |
| Giriş Portu | G1/2, G3/4, M27×2.0, SAE 10, SAE 12, 1/2 NPT, 3/4 NPT |
**Ürün Özellikleri ve Faydaları:**
* Hassas çalışma için manuel kontrol
* Dayanıklılık ve kompakt boyut için monoblok yapı
* Verimli sistem performansı için 80 L/dk yüksek akış kapasitesi
* Zorlu uygulamalar için 250 bar maksimum basınç
* Çeşitli hidrolik sıvılarla uyumluluk için geniş çalışma viskozite aralığı
* -40°C ila +80°C arasındaki ortam sıcaklıkları için uygundur
**Uygulamalar:**
P80-G12-2QTW-OT manuel yön kontrol valfi, aşağıdaki mobil ve endüstriyel makinelerin hidrolik sistemlerinde yaygın olarak kullanılmaktadır:
* Forkliftler, teleskopik yükleyiciler ve vinçler gibi malzeme taşıma ekipmanları
* Ekskavatörler, yükleyiciler ve greyderler gibi inşaat ve hafriyat makineleri
* Traktörler, biçerdöverler ve balya makineleri gibi tarım makineleri
* Süpürücüler, çöp sıkıştırıcıları ve kancalı yükleyiciler gibi endüstriyel araçlar



