Hızlı Teslimat
30 günlük ekspres teslimat



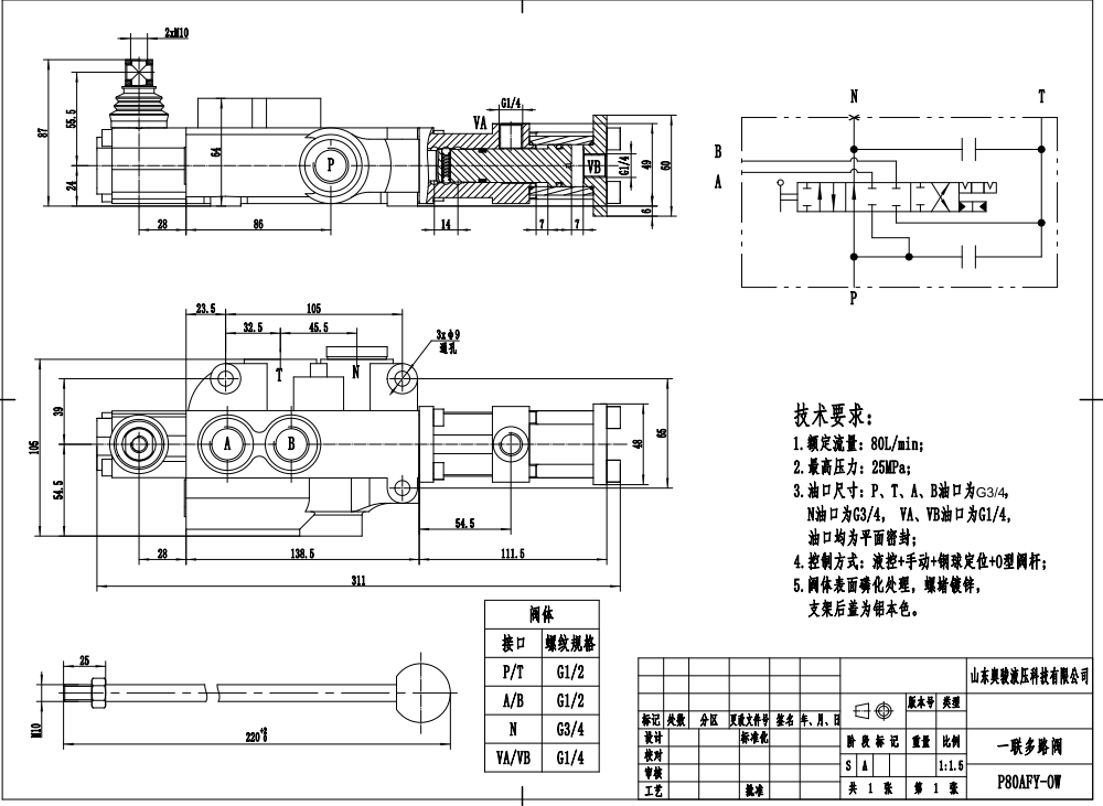
P80F-G34 Hidrolik 1 Makara Monoblok Yön Kontrol Valfi, çeşitli endüstriyel ve mobil uygulamalarda hidrolik akışkan akışını kontrol etmek için tasarlanmıştır. Kompakt bir monoblok tasarıma, 1 bölüme ve maksimum 250 bar (3600 psi) basınçta 80 L/dk (21.2 ABD galonu/dakika) nominal akış hızına sahiptir. Valf, 15 - 75 mm²/s (15 cSt ila 75 cSt) viskozite aralıklarında ve -40°C ila +80°C (-40°F ila +176°F) ortam sıcaklıklarında çalışmaya uygundur.
| P80F Serisi Monoblok Yönlendirmeli Vana Parameters | |
|---|---|
| Makara | 1 Makara, 2 Makara, 3 Makara, 4 Makara, 5 Makara, 6 Makara, 7 Makara |
| Kontrol Yöntemi | Manuel, Pnömatik, Elektropnömatik, Elektrohidrolik, Selenoid, Hidrolik, Hidrolik ve Manuel, Kablo, Joystick |
| Port Boyutu | G1/2, G3/4, M27×2.0, SAE 10, SAE 12, 1/2 NPT, 3/4 NPT |
| Bölüm | 1 Bölüm, 2 Bölüm, 3 Bölüm, 4 Bölüm, 5 Bölüm, 6 Bölüm, 7 Bölüm |
| Ortam Sıcaklık Aralığı | -40°C ila +80°C (-40°F ila +176°F) |
| İşletme Viskozite Aralığı | 15 - 75 mm²/sn (15 cSt ila 75 cSt) |
| Çıkış Portu | G1/2, G3/4, M27×2.0, SAE 10, SAE 12, 1/2 NPT |
| Maksimum Basınç | 315 bar (4600 psi) |
| Anma Akışı | 80 L/dk (21,2 ABD galon/dak) |
| Yapı Türü | Monoblock vana |
| Giriş Portu | G1/2, G3/4, M27×2.0, SAE 10, SAE 12, 1/2 NPT, 3/4 NPT |
**Ürün Özellikleri ve Faydaları:**
* Alan tasarrufu sağlayan kurulum için kompakt monoblok tasarım
* Basit ve güvenilir akış kontrolü için 1 makara
* Verimli akışkan işleme için 80 L/dk (21.2 ABD galonu/dakika) nominal akış hızı
* Zorlu uygulamalar için maksimum 250 bar (3600 psi) basınç
* 15 - 75 mm²/s (15 cSt ila 75 cSt) viskozite aralıklarında çalışmaya uygun
* Çeşitli ortamlarda kullanım için -40°C ila +80°C (-40°F ila +176°F) geniş ortam sıcaklığı aralığı
**Uygulamalar:**
P80F-G34 Hidrolik 1 Makara Monoblok Yön Kontrol Valfi, aşağıdakiler dahil olmak üzere çeşitli endüstriyel ve mobil uygulamalarda yaygın olarak kullanılmaktadır:
* Malzeme taşıma ekipmanları (forkliftler, teleskopik yükleyiciler, vinçler)
* İnşaat ve hafriyat makineleri (ekskavatörler, lastik tekerlekli yükleyiciler, mini yükleyiciler)
* Tarım makineleri (traktörler, biçerdöverler, balya makineleri)
* Endüstriyel araçlar (süpürücüler, çöp sıkıştırma makineleri, kancalı yükleyiciler)
* Ve daha niceleri...



