Hızlı Teslimat
30 günlük ekspres teslimat



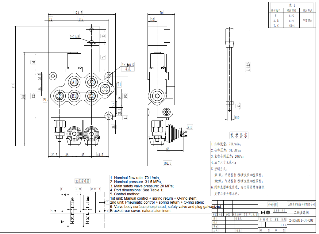
SD11 Manuel 1 Makara Monoblok Yön Kontrol Valfi, geniş bir hidrolik uygulama yelpazesi için tasarlanmıştır. 70 L/dak (18.5 ABD galonu/dak) nominal akış ve 250 bar (3600 psi) maksimum basınç ile bu valf, zorlu çalışma koşullarının üstesinden gelebilir. Kompakt monoblok tasarımı yer tasarrufu sağlayan bir çözüm sunarken, manuel kontrol hassas ve duyarlı çalışma imkanı sağlar.
| SD11 Serisi Monoblok Yönlendirmeli Vana Parameters | |
|---|---|
| Kontrol Yöntemi | Manuel, Pnömatik, Elektropnömatik, Elektrohidrolik, Selenoid, Hidrolik, Hidrolik ve Manuel, Kablo, Joystick, Elektrikli |
| Makara | 1 Makara, 2 Makara, 3 Makara, 4 Makara, 5 Makara |
| Anma Akışı | 70 L/dk (18,5 ABD galon/dak) |
| Maksimum Basınç | 315 bar (4600 psi) |
| Giriş Portu | G3/4, SAE 12 |
| Çıkış Portu | G3/4, SAE 12 |
| Port Boyutu | G3/4, SAE 12 |
| Bölüm | 1 Bölüm, 2 Bölüm, 3 Bölüm, 4 Bölüm, 5 Bölüm, 6 Bölüm, 7 Bölüm |
| Yapı Türü | Monoblock vana |
| Ortam Sıcaklık Aralığı | -40°C ila +60°C (-40°F ila +140°F) |
| İşletme Viskozite Aralığı | 15 - 75 mm²/sn (15 cSt ila 75 cSt) |
**Ürün Özellikleri ve Faydaları:**
* Hassas ve duyarlı çalışma için manuel kontrol
* Yer tasarrufu sağlayan çözüm için monoblok tasarım
* Verimli performans için 70 L/dak (18.5 ABD galonu/dak) nominal akış
* Zorlu uygulamalar için 250 bar (3600 psi) maksimum basınç
* Çok yönlülük için 15 - 75 mm²/s (15 cSt ila 75 cSt) çalışma viskozite aralığı
* Zorlu koşullar için -40°C ila +60°C (-40°F ila +140°F) ortam sıcaklığı aralığı
**Uygulamalar:**
* Malzeme taşıma ekipmanları
* İnşaat ve hafriyat makineleri
* Tarım ekipmanları
* Endüstriyel araçlar
* Telehandlerlar
* Forkliftler
* Arazi vinçleri
* İstifleyiciler
* Hava platformları
* Greyderler
* Ekskavatörler
* Mini yükleyiciler
* Kompakt tekerlekli yükleyiciler
* Tekerlekli yükleyiciler
* Kazıcı yükleyiciler
* Damperli kamyonlar
* Cephe delme makineleri
* Beton bomlu pompalar
* Asfalt silindirleri
* Döner sondaj kuleleri
* Kırıcılar ve taş kesiciler
* Elekler
* Ön yükleyicili traktörler
* Biçerdöverler
* Balya sarıcıları
* Bekolar
* Tohum ekme makineleri
* Ormancılık römorkları
* Püskürtücüler
* Balya makineleri
* Odun yarma makineleri
* Kova yükleyiciler
* Kanca yükleyiciler
* Atık sıkıştırıcılar
* Süpürücüler



