Hızlı Teslimat
30 günlük ekspres teslimat



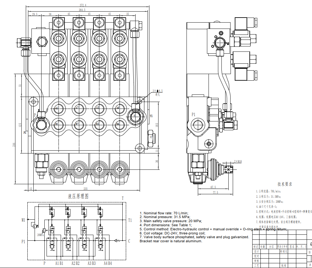
SD11-PG2, 70 L/dak ve 315 bar nominal değerli, yüksek performanslı, elektro-hidrolik 4 makaralı monoblok yön valfidir. Malzeme taşıma, inşaat, tarım ve endüstriyel araçlarda geniş bir uygulama yelpazesi için ideal olan bu sağlam valf, zorlu ortamlarda güvenilir kontrol ve hassas çalışma sunar.
| SD11 Serisi Monoblok Yönlendirmeli Vana Parameters | |
|---|---|
| Kontrol Yöntemi | Manuel, Pnömatik, Elektropnömatik, Elektrohidrolik, Selenoid, Hidrolik, Hidrolik ve Manuel, Kablo, Joystick, Elektrikli |
| Makara | 1 Makara, 2 Makara, 3 Makara, 4 Makara, 5 Makara |
| Anma Akışı | 70 L/dk (18,5 ABD galon/dak) |
| Maksimum Basınç | 315 bar (4600 psi) |
| Giriş Portu | G3/4, SAE 12 |
| Çıkış Portu | G3/4, SAE 12 |
| Port Boyutu | G3/4, SAE 12 |
| Bölüm | 1 Bölüm, 2 Bölüm, 3 Bölüm, 4 Bölüm, 5 Bölüm, 6 Bölüm, 7 Bölüm |
| Yapı Türü | Monoblock vana |
| Ortam Sıcaklık Aralığı | -40°C ila +60°C (-40°F ila +140°F) |
| İşletme Viskozite Aralığı | 15 - 75 mm²/sn (15 cSt ila 75 cSt) |
SD11-PG2 Elektro-hidrolik 4 Makara Monoblok Yön Valfi, zorlu uygulamalar için tasarlanmış yüksek performanslı bir hidrolik kontrol bileşenidir. Monoblok yapısı yüksek mukavemet ve güvenilirlik sağlarken, elektro-hidrolik kontrol hassas ve duyarlı çalışma sunar. 70 L/dak nominal akış ve 315 bar maksimum basınç ile çeşitli mobil ekipmanlar için uygundur. Geniş çalışma viskozite aralığı (15-75 mm²/s) ve ortam sıcaklık aralığı (-40°C ila +60°C), onu farklı çalışma koşullarına uyarlanabilir kılar. 4 makaralı tasarım, çeşitli hidrolik devreler için uygun hale getiren çok yönlü kontrol işlevleri sunar. Bu valf, forkliftler, teleskopik yükleyiciler, mini yükleyiciler, kompakt tekerlekli yükleyiciler, mini ekskavatörler, traktörler, biçerdöverler ve balya makinelerine OEM entegrasyonu için idealdir. Kompakt tasarımı, sağlam yapısı ve güvenilir performansı, makinelerinizin verimliliğini ve üretkenliğini artırmak için uygun maliyetli bir çözüm sunar. Üretim, OEM, özel etiketleme, özelleştirme ve toptan satış seçenekleri sunuyoruz ve dünya çapında distribütörler, toptancılar, acenteler ve ticari ortaklar aramaktayız.



