Hızlı Teslimat
30 günlük ekspres teslimat



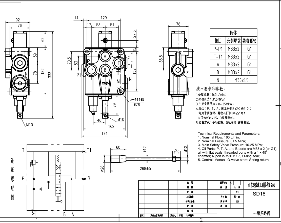
SD18 Manuel 1 Makara Monoblok Yön Valfi, geniş bir hidrolik uygulama yelpazesinde kullanılmak üzere tasarlanmış kompakt ve güvenilir bir valftir. 120 L/dak anma akışı ve 315 bar maksimum basıncı ile orta akış ve basınç gereksinimlerine sahip sistemlerde kullanıma uygundur.
| SD18 Serisi Monoblok Yönlendirmeli Vana Parameters | |
|---|---|
| Kontrol Yöntemi | Manuel, Pnömatik, Elektropnömatik, Elektrohidrolik, Hidrolik, Hidrolik ve Manuel, Kablo, Joystick |
| Makara | 1 Makara, 2 Makara, 3 Makara, 4 Makara |
| Anma Akışı | 160 L/dk (42,2 ABD galon/dak) |
| Maksimum Basınç | 305 bar (4400 psi) |
| Giriş Portu | G1/2, G1, SAE 16 |
| Çıkış Portu | G1, SAE 16 |
| Port Boyutu | G1, SAE 16 |
| Bölüm | 1 Bölüm, 2 Bölüm, 3 Bölüm, 4 Bölüm |
| Yapı Türü | Monoblock vana |
| Ortam Sıcaklık Aralığı | -40°C ila +80°C (-40°F ila +176°F) |
| İşletme Viskozite Aralığı | 12 - 400 mm²/sn (12 cSt ila 400 cSt) |
**Ürün Özellikleri ve Faydaları:**
* Kompakt ve hafif tasarım
* Hassas ve duyarlı çalışma için manuel kontrol
* Dayanıklılık ve güvenilirlik için monoblok yapı
* Verimli sistem çalışması için 120 L/dak anma akışı
* Zorlu uygulamalarda kullanım için 315 bar maksimum basınç
* Geniş bir sıvı yelpazesiyle uyumluluk için 12 - 400 mm²/s çalışma viskozite aralığı
* Zorlu ortamlarda kullanım için -40°C ila +80°C ortam sıcaklığı aralığı
* Çok yönlülük ve kontrol için 1 makara
**Uygulamalar:**
SD18 Manuel 1 Makara Monoblok Yön Valfi, aşağıdakiler de dahil olmak üzere çeşitli hidrolik uygulamalarda kullanıma uygundur:
* Malzeme taşıma ekipmanları
* İnşaat ve hafriyat ekipmanları
* Tarım makineleri
* Endüstriyel araçlar



