Hızlı Teslimat
30 günlük ekspres teslimat



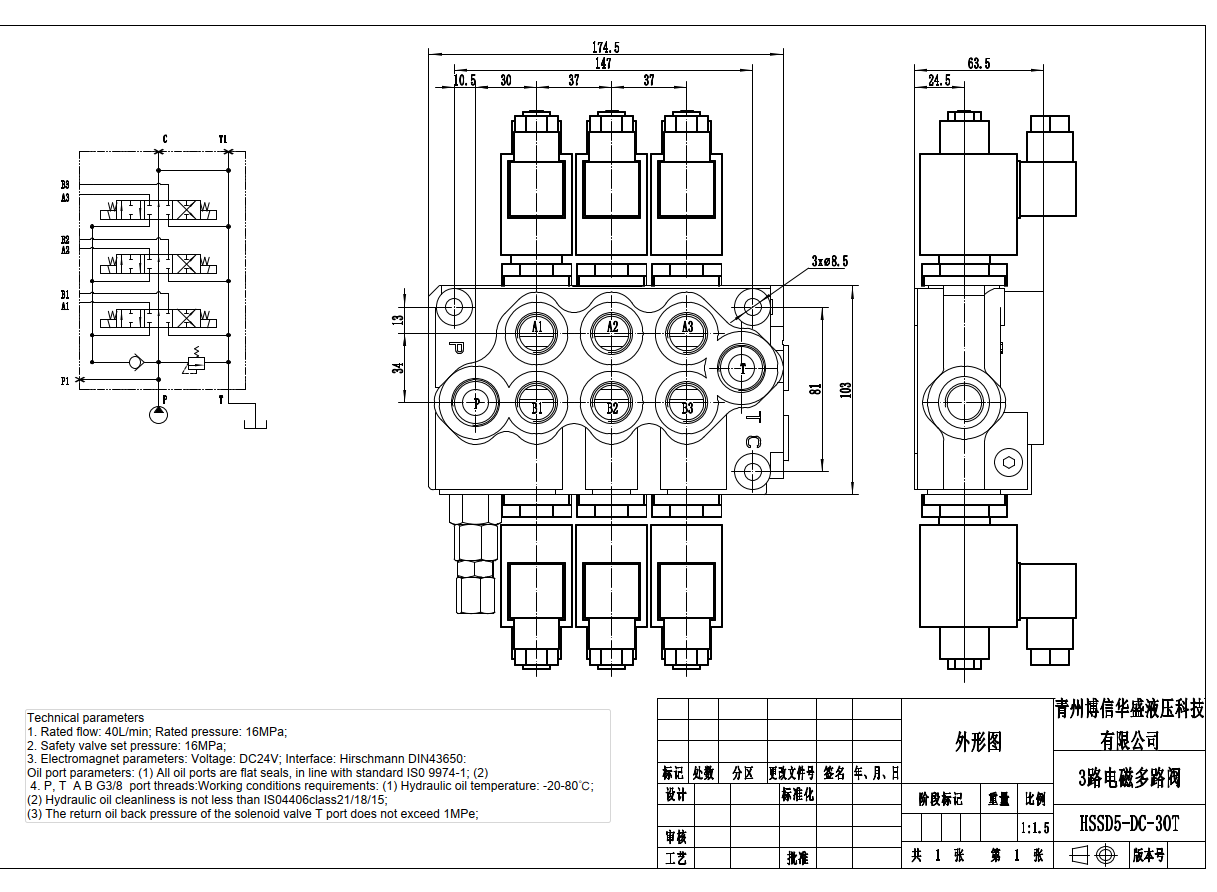
SD5 Solenoid 3 Makara Monoblok Yön Kontrol Valfi, zorlu uygulamalar için tasarlanmış yüksek performanslı bir hidrolik valftir. 40 L/dak nominal akış ve 305 bar maksimum basınç ile mükemmel akış kontrolü ve basınç yönetimi yetenekleri sunar. Valfin kompakt monoblok tasarımı, zorlu çalışma koşullarında dayanıklılık ve güvenilirlik sağlar.
| SD5 Serisi Monoblok Yönlendirmeli Vana Parameters | |
|---|---|
| Kontrol Yöntemi | Manuel, Pnömatik, Elektropnömatik, Elektrohidrolik, Selenoid, Hidrolik, Hidrolik ve Manuel, Kablo, Joystick |
| Makara | 1 Makara, 2 Makara, 3 Makara, 4 Makara, 5 Makara, 6 Makara |
| Anma Akışı | 40 L/dk (10,5 ABD galon/dak) |
| Maksimum Basınç | 305 bar (4400 psi) |
| Giriş Portu | G3/8, G1/2, M18×1.5, M20×1.5, SAE 6, SAE 8, G1-1/2 |
| Çıkış Portu | G3/8, G1/2, M18×1.5, M20×1.5, SAE 6, SAE 8 |
| Port Boyutu | G3/8, G1/2, M18×1.5, M20×1.5, SAE 6, SAE 8 |
| Bölüm | 1 Bölüm, 2 Bölüm, 3 Bölüm, 4 Bölüm, 5 Bölüm, 6 Bölüm, 7 Bölüm |
| Yapı Türü | Monoblock vana |
| Ortam Sıcaklık Aralığı | -40°C ila +60°C (-40°F ila +140°F) |
| İşletme Viskozite Aralığı | 15 - 75 mm²/sn (15 cSt ila 75 cSt) |
**Özellikler ve Faydalar:**
* Dayanıklılık ve güvenilirlik için kompakt monoblok tasarım
* Çok yönlü akış kontrolü için 3 makara tasarımı
* Hassas ve duyarlı çalışma için solenoid kontrolü
* Verimli akışkan yönetimi için 40 L/dak nominal akış
* Zorlu uygulamalar için 305 bar maksimum basınç
* Çeşitli akışkanlarla uyumluluk için 15 - 75 mm²/s çalışma viskozite aralığı
* Aşırı koşullarda çalışma için -40°C ila +60°C ortam sıcaklık aralığı
**Uygulamalar:**
* Mobil hidrolik sistemler
* Endüstriyel makineler
* İnşaat ekipmanları
* Tarım makineleri
* Malzeme taşıma ekipmanları



